I used to get 13.6-13.8v on my /7. I have a Luftmeister fairing and the voltmeter in it are wired directly to the battery. But all of the grounds are collected together in the left pouch and routed through a waterproof switch on the inside of the fairing. I finally tool that gang of connections apart, cleaned them, used some dielectric grease and now my charging voltage is 14-14.1v. I would say that if you're only getting 13.5v then there are some losses in the wiring somewhere.
IIRC the usual reason for a glowing light is something about the rotor...that's the first thing to go. I was wondering if there's any runout in the rotor...does it run true on the end of the crank? It could be wobbling or bouncing. What about the snail springs that hold the brushes down...are they providing sufficient pressure to keep the brushes solidly on the slip rings?
Any corrosion on the wiring that goes back to the starter? As I recall, in order to get the charging current back to the battery, the main output from the diode board runs to one of the bolts at the starter...is it tight and corrosion free?
Kurt in S.A.
R100/7 Charging issues, again
-
dwerbil
- Moderator
- Posts: 2883
- Joined: Tue Aug 03, 2010 10:58 am
- Location: Round Rock, Texas
- Contact:
Re: R100/7 Charging issues, again
Thanks much, Kurt. That's a good list to check over. I hope to delve into the beast today when it/me warms up a bit here.
-
dwerbil
- Moderator
- Posts: 2883
- Joined: Tue Aug 03, 2010 10:58 am
- Location: Round Rock, Texas
- Contact:
Re: R100/7 Charging issues, again
Fairing pulled off, wiring in bucket looks good. Ground connections cleaned and coated. The starter is different. BIg wires were tight but cruddy looking. Big wires cleaned and coated as with ignition wire. The rubber breather tube is quite brittle. Maybe I have something around to replace it with.
Onward through the fog.
Onward through the fog.
-
dwerbil
- Moderator
- Posts: 2883
- Joined: Tue Aug 03, 2010 10:58 am
- Location: Round Rock, Texas
- Contact:
Re: R100/7 Charging issues, again
Ok....I pulled both coils, cleaned and coated all connections, particularly the grounds. Starter area got the same treatment. I did a test fire up to 4k....
-----Generator light goes off above idle and appears to stay off upon revs.
-----Voltage now is 13.9 instead of 13.5 earlier.
The suspect area was corrosion with the big wire connection at the starter. It doesn't take much.
I'm a happy camper. Thanks for the help, Kurt.
You are a DAWG!
-----Generator light goes off above idle and appears to stay off upon revs.
-----Voltage now is 13.9 instead of 13.5 earlier.
The suspect area was corrosion with the big wire connection at the starter. It doesn't take much.
I'm a happy camper. Thanks for the help, Kurt.
You are a DAWG!
-
Kurt in S.A.
- Posts: 1715
- Joined: Tue Aug 03, 2010 12:08 pm
Re: R100/7 Charging issues, again
Kewl!!
Kurt in S.A.
Kurt in S.A.
-
dwerbil
- Moderator
- Posts: 2883
- Joined: Tue Aug 03, 2010 10:58 am
- Location: Round Rock, Texas
- Contact:
Re: R100/7 Charging issues, again
Maybe I spoke a bit too soon....yesterday afternoon, after a through electrical cleanup, it appear the gen light was finally behaving normally.
Late last night, I started the bike in a dark garage. The stinkin' generator light still glows a bit above idle up to high revs. Volt reading at 4k at the battery this afternoon was around 13.8. Pulled the rotor, it ohm'd ok. It's a new rewind. Brushes new with good spring action. Rotor appears to run smooth and true on the shaft.
Question...With the system charging well enough (it's always been around that upper 13 volt area), is it ok to ride the thing with a bit of a red glow on the gen light? What harm would riding it do?
Signed,
Perplexed
Late last night, I started the bike in a dark garage. The stinkin' generator light still glows a bit above idle up to high revs. Volt reading at 4k at the battery this afternoon was around 13.8. Pulled the rotor, it ohm'd ok. It's a new rewind. Brushes new with good spring action. Rotor appears to run smooth and true on the shaft.
Question...With the system charging well enough (it's always been around that upper 13 volt area), is it ok to ride the thing with a bit of a red glow on the gen light? What harm would riding it do?
Signed,
Perplexed
-
Kurt in S.A.
- Posts: 1715
- Joined: Tue Aug 03, 2010 12:08 pm
Re: R100/7 Charging issues, again
A piece of black tape could fix all that!! I would certainly ride it with 13.8v at the battery...I'd have one eye on the light and one eye on the road. The fact that it is glowing seems to indicate that there is a voltage difference on either side of the bulb in the speedo pod. IIRC one side represents the state of charge at the battery while the other side represents what the charging system is putting out. A difference in voltage means current will flow from one side to the other, thus causing the light to shine.
Kurt in S.A.
Kurt in S.A.
Re: R100/7 Charging issues, again
If you ride reasonable distances it will be fine but on a bike used for short commutes I wouldn't be satisfied with 13.8 volts and want to fit a higher set point regulator.dwerbil wrote: Question...With the system charging well enough (it's always been around that upper 13 volt area), is it ok to ride the thing with a bit of a red glow on the gen light? What harm would riding it do?
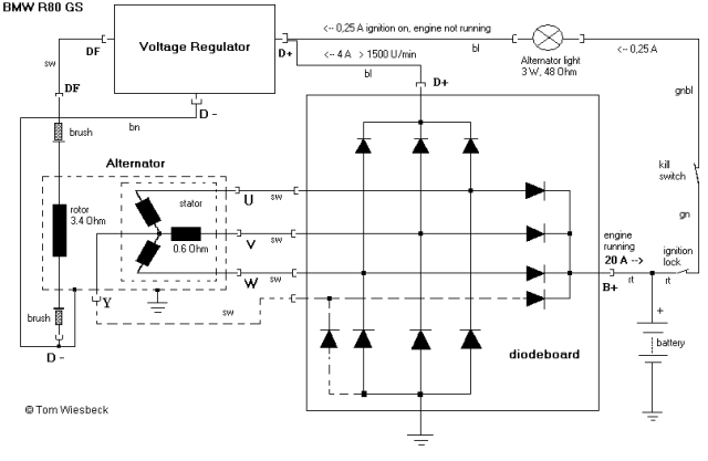
On the red glow that is usually down to a bad connection between D+ on the VR and D+ on the diode board or somewhere between the other side of the charge indicator lamp and the path all the way back to the battery via the kill switch and ignition switch. With care you could diagnose where the fault is by using a jump lead from D+ to D+ and then from the other side of the lamp to battery +Ve If you look at the charging system diagram, with the engine running the charge lamp is comparing the voltage between the output of the small diodes and the output of the big diodes which should be the same unless there is a small voltage drop somewhere due to a bad connection in the wiring as indicated above.
- Attachments
-
- ChargingSystem3.jpg (78.93 KiB) Viewed 1658 times
barry
Cheshire
England
Cheshire
England
-
dwerbil
- Moderator
- Posts: 2883
- Joined: Tue Aug 03, 2010 10:58 am
- Location: Round Rock, Texas
- Contact:
Re: R100/7 Charging issues, again
Thanks much, barry for the guideline to follow. Am tied up the next few days but look forward to checking this out. Will report back.
