generator light staying on conundrum

Discuss all things 1970 & later Airheads right here.
sinjun68
Posts: 26
Joined: Sun Jul 22, 2012 2:02 pm

generator light staying on conundrum

Post by sinjun68 »

hello folks!
Have a 77 R100/7 with aftermarket speedometer and volt meter. Also have LED generator light with 50 Ohm 10 watt resistor (as described by Snowbum article)
This has worked flawlessly for a year till yesterday. Not sure what happened but after a 3 hour ride in light rain (coincidence?) the generator light would intermittently come on full brightness and then go off. It finally just remains on now when bike is running and accelerating.

Here's where I'm at. Generator light remains off when key is in off position and comes on when key is turned on (small diodes good).
When running, light remains on and no voltage climb (charging) as I rev engine.
I removed the voltage regulator and jumped its Df and D+ plug wires when bike is off. Start bike, light goes off and volt meter climbs normally with acceleration. I did not rev enough to go past 14.9 volts! This suggests alternator is functioning.
I replaced regulator with brand new unit I had overnighted from Euro Motoelectrics (EnDuraLast VR-ExtAdj) light still comes on with no charging. Also replaced 50 ohm resistor with new one.
Any ideas?
Thanks!
-Chris
Last edited by sinjun68 on Fri Jun 23, 2017 7:46 am, edited 2 times in total.
User avatar
Zombie Master
Posts: 8828
Joined: Sun Aug 22, 2010 12:21 am
Location: Vancouver Island BC Canada

Re: generator light staying on conundrum

Post by Zombie Master »

Check rotor for continuity, though it could be intermittent due to rotational forces.
Any and all disclaimers may apply
sinjun68
Posts: 26
Joined: Sun Jul 22, 2012 2:02 pm

Re: generator light staying on conundrum

Post by sinjun68 »

I isolated the brushes from the rotor with a piece of matchbook cover and have continuity between the rings. If it was a failed rotor or another alternator issue would'nt it fail to charge when I removed the regulator and jumped the DF and D+ wires?
User avatar
Zombie Master
Posts: 8828
Joined: Sun Aug 22, 2010 12:21 am
Location: Vancouver Island BC Canada

Re: generator light staying on conundrum

Post by Zombie Master »

These things can be tricky to check for some of us. These rotors are a common failure on these charging systems. Centrifugal force could be lifting a broken winding that can re-connect at lower revs. I'm not saying that this is definitely what the problem is. But I have experienced a problem like this on airheads and guzzies with the same Bosch charging system. Good luck. I'm sure others will chime in shortly.
Any and all disclaimers may apply
barryh
Posts: 787
Joined: Fri Oct 01, 2010 12:30 pm

Re: generator light staying on conundrum

Post by barryh »

sinjun68 wrote: Thu Jun 22, 2017 10:34 pm Here's where I'm at. Generator light remains off when key is in off position and comes on when key is turned on (small diodes good).
When running, light remains on and no voltage climb (charging) as I rev engine.
I removed the voltage regulator and jumped its Df and D+ plug wires when bike is off. Start bike, light goes off and volt meter climbs normally with acceleration. I did not rev enough to go past 4.9 volts! This suggests alternator is functioning.
I presume you meant 14.9 volts. On it's own the DF to D+ jumper test points to a faulty regulator. It doesn't suggest any problem with the rotor going open circuit at least at the lowish revs used.
sinjun68 wrote: Thu Jun 22, 2017 10:34 pm I replaced regulator with brand new unit I had overnighted from Euro Motoelectrics (EnDuraLast VR-ExtAdj) light still comes on with no charging. Also replaced 5 ohm resistor with new one.
But then when you replace the VR it still doesn't work. That is strange. did you try the jumper test again just to make sure the alternator is still functioning.

I'm puzzled by the 5 ohm resistor and pretty sure that can't be what Snowbum recommends, To simulate the the original charging lamp would require something more like 50 ohms.
barry
Cheshire
England
Kurt in S.A.
Posts: 1705
Joined: Tue Aug 03, 2010 12:08 pm

Re: generator light staying on conundrum

Post by Kurt in S.A. »

Snowbum talks about using something like a 470 ohm resistor, although he prefers the 330 ohm resistor for inside the tighter instrument pods like the /6/7. Wattage is around 1 watt. Could use of a 5 ohm resistor have resulted in a slow failure of some kind that has now cropped up a year later?

Kurt in S.A.
sinjun68
Posts: 26
Joined: Sun Jul 22, 2012 2:02 pm

Re: generator light staying on conundrum

Post by sinjun68 »

My apologize for the typos. (it was late and I was typing fast) It is an 50 ohm resistor used. Snowbum does recommend a 50 ohm resistor to better simulate what a regular bulb would do. He just suggests not placing it in the headlight bucket or soldered to the original circuit board. I also reved the engine to 14.9 volts not 4.9, that was a typo. After replacing the VR i did remove it and tested again by jumping the D+ and DF wires. That did produce the same result as the first test. After jumping the wires the light went out and voltage began to climb. Perhaps changing out the rotor may be the next step. it does appear to be original.
Kurt in S.A.
Posts: 1705
Joined: Tue Aug 03, 2010 12:08 pm

Re: generator light staying on conundrum

Post by Kurt in S.A. »

He does indicate a 50 ohm resistor could be used, connecting one end directly to the input side of the coils. He also says that the resistor could get very warm. Is the resistor still working? What if it has failed?

Remember, the resistor is only used to help continue charging if the gen lamp bulb fails. So, if the gen lamp is still working, the added resistor really has nothing to do with the circuit.

Sounds like you should follow the steps provided in Rick Jones' Boxer Charging book. Something else must be wrong.

Kurt in S.A.
barryh
Posts: 787
Joined: Fri Oct 01, 2010 12:30 pm

Re: generator light staying on conundrum

Post by barryh »

If shorting DF to D+ makes the alternator work then the rotor can't be faulty, at least not at the revs that you used.

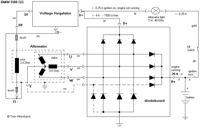
In order to test out the whole alternator bulb wiring circuit including the resistor how about making up an external link wire with a resistor or a bulb (it doesn't mater that it's a standard alternator light bulb, any low wattage bulb will do) and connect it across D+ and battery +ve.
ChargingSystem3.jpg
ChargingSystem3.jpg (78.93 KiB) Viewed 3035 times
barry
Cheshire
England
sinjun68
Posts: 26
Joined: Sun Jul 22, 2012 2:02 pm

Re: generator light staying on conundrum

Post by sinjun68 »

A lil more specific info... I have an LED light that is connected where (replaced) the original Gen. Light. Since the LED does not have enough resistance I have attached the 50 OHM resistor to the coil and VR. This was well over a year ago and the new LED gen light has worked flawlessly until now. I have replaced the resistor with a new one so that is not the issue. I have replaced the Voltage Regulator with a new one as well. I have by passed the VR and jumped appropriate wires a number of times and everytime I get voltage increase with acceleration from the alternator...
Someone recently knocked my bike over and picked it up. In doing so the broke off the (tab)of the kill switch. Apparenty put a lot of force on the switch when picking up the bike by the handlebars. Could there be something in that switch that is now faulty that could cause this issue?
Post Reply