Dead on the road - Ignition? Coils? Condenser?

Discuss all things 1970 & later Airheads right here.
User avatar
jjwithers
Posts: 431
Joined: Wed Dec 22, 2010 10:19 pm
Location: Ventura, CA
Contact:

Dead on the road - Ignition? Coils? Condenser?

Post by jjwithers »

I rode about 30 miles today and just as I reached my destination (luckily) the bike died. Stalled out. Electrics are OK, I pulled in the clutch and tried to start it as I was still rolling and nada. I let it sit for a few minutes, it fired right up, and then died. I let it sit for an hour, I got it about 1/4 mile and it died again.
Towed the bike home, which took nearly 1.5 hours and took the tank off and the coils are hot to the touch.
I put new plugs in, same symptoms. Starts, and then revs for 20 seconds or so, and then dies.
Fuel is OK.

It's a 79 points in the can engine in a /5 frame.
It has and alien motion lithium battery, but the battery cranks the bike fine so I don't think that is the problem.
It has a dyna ignition booster hooked up between the points and the coils.

I tried other 'unknown' coils I have lying around and the bike almost runs rougher, and still dies.

I can't get the damn condenser off. That flathead screw is in there at an angle I can't get a screwdriver in under the alternator. So I'll have to move the can to ruin my timing setting to get the condenser off to test it. But before I go to that trouble, I am posting here for help/advice...

I'm thinking it is the condenser or the coils.
Thanks in advance

-josh
www.beemersandbits.com
'77 R100S - http://www.joshuawithers.com/r100s
'73 /5 Toaster Cafe bike http://www.joshwithers.com/slash5
'67 Bridgestone 175 Hurricane Scrambler
'66 R60/2
'72 BMW 2002
Instagram - jj_withers
Rob Frankham
Posts: 1377
Joined: Thu Aug 26, 2010 2:11 pm
Location: Scotland UK, 20 miles from civilisation up a dead end road!
Contact:

Re: Dead on the road - Ignition? Coils? Condenser?

Post by Rob Frankham »

Disconnect the Dyna... If you've tried other coils and they make no difference, then it's probably not them. Condensers aren't known for intermittent failures so I'm betting the Dyna is playing up. Disconnecting it will establish this quickly and easily.

Rob
ImageImageImage
robert
Posts: 471
Joined: Sun Jan 30, 2011 4:03 pm

Re: Dead on the road - Ignition? Coils? Condenser?

Post by robert »

Check the point gap.
User avatar
jjwithers
Posts: 431
Joined: Wed Dec 22, 2010 10:19 pm
Location: Ventura, CA
Contact:

Re: Dead on the road - Ignition? Coils? Condenser?

Post by jjwithers »

That is where I am confused. There are no wires coming from the straw tube that stems from the bean can. Just one wire from the condenser that is hooked up to the Dyna. Should there be points wires? or does the points signal run through that condenser wire?
I'm guessing that if I want to bypass the Dyna, I can run a wire from the condenser to the positive terminal of the right coil and that should take me back to 'stock'. The left coil has the green power wire to the positive.
www.beemersandbits.com
'77 R100S - http://www.joshuawithers.com/r100s
'73 /5 Toaster Cafe bike http://www.joshwithers.com/slash5
'67 Bridgestone 175 Hurricane Scrambler
'66 R60/2
'72 BMW 2002
Instagram - jj_withers
Kurt in S.A.
Posts: 1721
Joined: Tue Aug 03, 2010 12:08 pm

Re: Dead on the road - Ignition? Coils? Condenser?

Post by Kurt in S.A. »

I can run a wire from the condenser to the positive terminal of the right coil
Huh? Left coil + gets 12v. The - terminal of the left coil is jumpered to + terminal of the right coil. The - terminal of the right coil goes to ground through the condenser.

And the lithium battery is fine? IMO I'd try a conventional battery just to be sure.

Kurt in S.A.
barryh
Posts: 795
Joined: Fri Oct 01, 2010 12:30 pm

Re: Dead on the road - Ignition? Coils? Condenser?

Post by barryh »

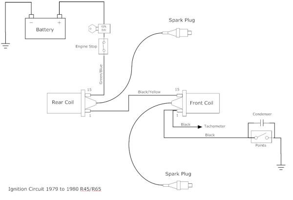
jjwithers wrote: Sun Nov 04, 2018 6:10 pm does the points signal run through that condenser wire?
Yes it does on the bean can points set up. The condenser termination block is a pass through used to locate the spade terminal that connects to the points.
78 - 89 Condenser.jpg
78 - 89 Condenser.jpg (8.52 KiB) Viewed 6984 times
jjwithers wrote: Sun Nov 04, 2018 6:10 pm I'm guessing that if I want to bypass the Dyna, I can run a wire from the condenser to the positive terminal of the right coil and that should take me back to 'stock'. The left coil has the green power wire to the positive.
Yes that will work but as already said it's the -ve terminal #1 and not #15
Ignition_Circuit_1979_to_1980_R45_and_R65.jpg
Ignition_Circuit_1979_to_1980_R45_and_R65.jpg (21.67 KiB) Viewed 6985 times
barry
Cheshire
England
User avatar
jjwithers
Posts: 431
Joined: Wed Dec 22, 2010 10:19 pm
Location: Ventura, CA
Contact:

Re: Dead on the road - Ignition? Coils? Condenser?

Post by jjwithers »

Yep, i bypassed the Dyna and it fired right up. No problems. I yanked it (dyna) out of the bike and Going to run my points without it until I feel like spending money on an electronic ignition for it. Thanks for the diagram. It was exactly what I needed.
www.beemersandbits.com
'77 R100S - http://www.joshuawithers.com/r100s
'73 /5 Toaster Cafe bike http://www.joshwithers.com/slash5
'67 Bridgestone 175 Hurricane Scrambler
'66 R60/2
'72 BMW 2002
Instagram - jj_withers
User avatar
Ken in Oklahoma
Posts: 3182
Joined: Tue Aug 03, 2010 5:10 pm

Re: Dead on the road - Ignition? Coils? Condenser?

Post by Ken in Oklahoma »

I am a hater of the Dyna ignition. About 6 years or so ago I installed one in my '77 R100. Never again! It left me stranded after only about 10 hours of use along the Talimena Scenic drive. I like points. They do require maintenance. They don't leave you stranded very often.

Ken in Boise/Oklahoma
____________________________________
There's no such thing as too many airheads
KellyVB 75R90S
Posts: 95
Joined: Sun Aug 22, 2010 12:08 pm

Re: Dead on the road - Ignition? Coils? Condenser?

Post by KellyVB 75R90S »

Guess i'm LUCKY Ken, I installed a Dyna 3 on my gal several years ago and have ridden her all over. Even came to 2 rally's at your place and never a hic-up.

Kelly in San Antonio
User avatar
jjwithers
Posts: 431
Joined: Wed Dec 22, 2010 10:19 pm
Location: Ventura, CA
Contact:

Re: Dead on the road - Ignition? Coils? Condenser?

Post by jjwithers »

I've had a Dyna 3 on my '77 R100S since complete rebuild. Nearly 40,000 miles and everything has been fine.

Yet the other bike had 5,000 miles on the rebuild, with no knowledge of where the booster came from, and the booster died.
www.beemersandbits.com
'77 R100S - http://www.joshuawithers.com/r100s
'73 /5 Toaster Cafe bike http://www.joshwithers.com/slash5
'67 Bridgestone 175 Hurricane Scrambler
'66 R60/2
'72 BMW 2002
Instagram - jj_withers
Post Reply