Hello everyone,
I’m rebuilding my BMW R100RT and I’m having hard time finding a colored wiring diagram.
The bike is a monolever, year 1989.
The diagram I have on the Haynes (not colored, but I can live with that) doesn’t seem accurate to me.
For example it shows a light-dimmer switch/control that the bike doesn’t have (I turn on and off the light with the ignition switch, turning the key 1 except for the high beams)..
Thank you in advance for your help!
I need a colored wiring diagram - 1989 R100RT
Re: I need a colored wiring diagram - 1989 R100RT
You will find that the Euro v US wiring was different. Headlight on and off is the usual one. I guess it's more likely to see a diagram with it all in, to cover all areas?Mallo81 wrote: ↑Sun Jun 05, 2022 10:39 pm Hello everyone,
I’m rebuilding my BMW R100RT and I’m having hard time finding a colored wiring diagram.
The bike is a monolever, year 1989.
The diagram I have on the Haynes (not colored, but I can live with that) doesn’t seem accurate to me.
For example it shows a light-dimmer switch/control that the bike doesn’t have (I turn on and off the light with the ignition switch, turning the key 1 except for the high beams)..
Thank you in advance for your help!
What's your location?
Cheers, Steve
Victoria, S.E.Oz.
1982 R100RSR100RS supergallery. https://boxerboy81.smugmug.com/R100RS
2006 K1200R.
1994 R1100GS.
Victoria, S.E.Oz.
1982 R100RSR100RS supergallery. https://boxerboy81.smugmug.com/R100RS
2006 K1200R.
1994 R1100GS.
-
- Posts: 1335
- Joined: Thu Aug 26, 2010 2:11 pm
- Location: Scotland UK, 20 miles from civilisation up a dead end road!
- Contact:
Re: I need a colored wiring diagram - 1989 R100RT
The latest Haynes (1999 edition) has coloured wiring diagrams which cover both US and Euro models... although on the same diagram with notes which isn't particularly clear. I've yet to find a completely reliable wiring diagram in any of the manuals or even from BMW themselves... sometimes you just have to rely on logic and common sense.
Rob
Rob
Re: I need a colored wiring diagram - 1989 R100RT
I have a fabulous colour diagram but only for the early R45/R65. It's crystal clear no matter how much you zoom in. I've printed it out A3 for easy reference. I realise none of that is much help but the point is that if a company produced such a diagram for the relatively obscure type 248 models they surely did so for the more mainstream airheads so they must be out there somewhere. The diagram has this watermark on it:
WWW.2-ventiler.de
WWW.2-ventiler.de
barry
Cheshire
England
Cheshire
England
-
- Posts: 1705
- Joined: Tue Aug 03, 2010 12:08 pm
Re: I need a colored wiring diagram - 1989 R100RT
I've heard a few people tout the diagrams sold by Euro MotoElectrics.
Kurt in S.A.
Kurt in S.A.
Re: I need a colored wiring diagram - 1989 R100RT
Thank you guys. I’m tempted to buy those EME diagrams..
Ii just do not want to spend $30 on a useless piece of paper..
Ii just do not want to spend $30 on a useless piece of paper..
Re: I need a colored wiring diagram - 1989 R100RT
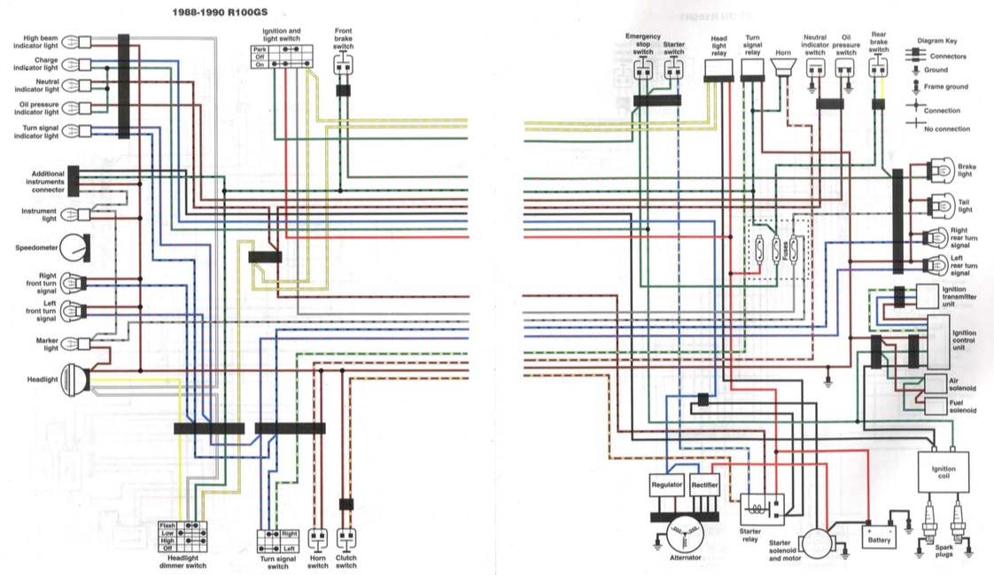
This might help, it's for a 88-'90 r100gs.
Should be close enough (maybe identical?) to a RT to resolve most issues.
It's a jpeg, so it gets blurry when you zoom in.
I can email you a PDF format so you can zoom in all you want and it stays clear if you send me your email address.
Not sure how to post a PDF here.
The second one shows the U.S. vs. euro headlight wiring by-pass.
By the mid '70's, North American motorcyclists were not deemed intelligent enough to determine when their lights should be 'ON'.
By the mid '80's, Canada implemented a daytime 'headlight 'on' law for all vehicles so motorcycles could blend inconspicuously into the traffic flow even with their lights 'on'. Go figure.....
Should be close enough (maybe identical?) to a RT to resolve most issues.
It's a jpeg, so it gets blurry when you zoom in.
I can email you a PDF format so you can zoom in all you want and it stays clear if you send me your email address.
Not sure how to post a PDF here.
The second one shows the U.S. vs. euro headlight wiring by-pass.
By the mid '70's, North American motorcyclists were not deemed intelligent enough to determine when their lights should be 'ON'.
By the mid '80's, Canada implemented a daytime 'headlight 'on' law for all vehicles so motorcycles could blend inconspicuously into the traffic flow even with their lights 'on'. Go figure.....
- Attachments
-
- diag 88-90 R100gs.jpeg (229.8 KiB) Viewed 3851 times
-
- euro switch oe.jpg (208.34 KiB) Viewed 3851 times
Mechanic from Hell
"I remember every raging second of it...
My bike was on fire, the road was on fire, and I was on fire.
It was the best ride ever!"
"I remember every raging second of it...
My bike was on fire, the road was on fire, and I was on fire.
It was the best ride ever!"
Re: I need a colored wiring diagram - 1989 R100RT
Thank you! Very useful and the definition is clear enough.gspd wrote: ↑Mon Jun 06, 2022 9:04 am This might help, it's for a 88-'90 r100gs.
Should be close enough (maybe identical?) to a RT to resolve most issues.
It's a jpeg, so it gets blurry when you zoom in.
I can email you a PDF format so you can zoom in all you want and it stays clear if you send me your email address.
Not sure how to post a PDF here.
The second one shows the U.S. vs. euro headlight wiring by-pass.
By the mid '70's, North American motorcyclists were not deemed intelligent enough to determine when their lights should be 'ON'.
By the mid '80's, Canada implemented a daytime 'headlight 'on' law for all vehicles so motorcycles could blend inconspicuously into the traffic flow even with their lights 'on'. Go figure.....
Then again my point: in all these diagrams the lighting switch seems separate from the key-ignition switch, like if it was a specific switch/control on the handlebar. Which I don’t have.
On my handlebar I only have high-beams (on/off, not even flashing): do you guys have the same on your bikes? (See pic here)
Or maybe it’s just me who cannot read those diagrams..
- Attachments
-
- 2BC369EC-51C6-4C5A-A697-8E5B5BEB9761.jpeg (361.21 KiB) Viewed 3845 times
Re: I need a colored wiring diagram - 1989 R100RT
This is the 'EURO' switch with the headlight function.
Available from BMW.
NOT 'plug'n'play.
You have to switch a few wires around.
Note to Mel: EJECT function keeps passengers 'quiet' and on their best behaviour.
Available from BMW.
NOT 'plug'n'play.
You have to switch a few wires around.
Note to Mel: EJECT function keeps passengers 'quiet' and on their best behaviour.

- Attachments
-
- switch.jpeg (70 KiB) Viewed 3838 times
Mechanic from Hell
"I remember every raging second of it...
My bike was on fire, the road was on fire, and I was on fire.
It was the best ride ever!"
"I remember every raging second of it...
My bike was on fire, the road was on fire, and I was on fire.
It was the best ride ever!"
Re: I need a colored wiring diagram - 1989 R100RT
I like the EJECT function! Lol
It’s an aftermarket switch.. which probably matches the wiring diagram more than the actual original production control!